Introduction: GSM/GPS VEHICLE GEOGRAPHICAL TRACKER
The project is based on a Gsm/Gps/Gprs. Its main function is to detect a illegal entry and communicate its own geographical position using, on the choice, the cellular phone reference system or the GPS. I use the recent product by SIMCOM - SIM908 which operate on 5 - 12 volt dc supply, which makes it work on wide-range dc power supply... Well i still believe that i can burn a code of 21kb into program memory chip of 14kb (pic16f876a), but, it works all good.... hehehe...
maybe one of this days am gonna write a code of 30kb for this mircontroller chip, just wanna confirm the max. program memory size.... The featuring mircontroller chip is the pic16f876a, the reason i keep using this chip is because it cost less than $2 and I guess is available in all country...
Step 1: SIM908 SETUP
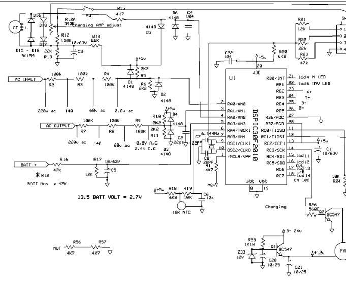
Step 2: CIRCUIT DIAGRAM AND PROTEUS SIMULATION
Step 3: MOTHER CONTROL PCB PRINT OUT
Step 4: PCB PRODUCTION
Step 5: PCB CONSTUCTION
Step 6: CHECK AND TEST OF SERIAL COMM. WITHOUT SIM908
Step 7: FINALIZATION AND TESTING
Step 8: Test Video
you can find the complete video test HERE
COMPLETE PCB LAYOUT AND CODE: http://1drv.ms/1Lof3e1
If you have any question, feel free to comment on this post and ask me any question.... acecct.18f4550@gmail.com OR call me on : +2348123206299




