leeselectronic
Message
Follow
Inbox
View Profile
Vancouver BC
Joined August 16th, 2017
15
Instructables
198,749
Views
2
Comments
35
Followers
Message
Follow
Inbox
View Profile
Electronic Hobby Store
Lee's Electronic
Profile
Instructables (15)
Collections (0)
Favorites (1)
Discussions (18)
Settings
Instructables
Auto Brightness Adjusting LED Strip
3
1.4K
Electric Gear Motor Back Scratcher
5
1.9K
Keyless Unlock System
2
898
ELECTRONIC SCALE PROJECT
2
2.2K
Binary Calculator
4
5.1K
CNC 500mW Laser Engraver
30
8.3K
Weather Station Using Arduino UNO
4
2.8K
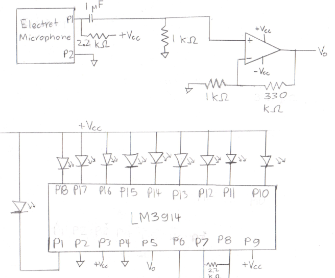
Environmental Audio Loudness Meter
7
1.6K
IC Egg Timer
9
5.9K
How to Make a Railgun (science Explained)
52
65K
Arduino Piano With Push Button Switches
1
5.6K
BattleDIP
3
4.4K
Small AC to DC Converter
13
33K
Touch Switch Circuit With MOSFET
19
9.2K
RF Remote Control Car
28
50K