Introduction: How to Create a 50cm Cube With All Necessary Features and Use 3-dimensional Space to Grow Plants
How to create a 50cm cube with all necessary features and use 3-dimensional space to grow plants.
A story...
On June 17, 2019 I published my last Instructables about the Card Scanner. Full of motivation and anticipation I was already thinking about the final concept to bring all three parts (1, 2, 3) together.
But then I came across the GBE: Maker Contest, which started on June 14th. Immediately the Trading Card Machine moved into the far distance. All my thoughts revolved around this topic. There was no room for other ideas or projects. Even in everyday life, everything changed. The subject of Space was everywhere. I saw films and series on this theme and read all kinds of books about it.
In short, I was totally hyped.
The main motivation was:
- Such a cool topic
- Challenging to learn many new things.
- Completely new territory.
- Creating a project according to the specifications of others.
But at the same time, it also meant a lot of work. As you can read in this Instructable, there were also some problems and difficulties. In some cases, they could be solved, bypassed by a plan B or unfortunately had to be skipped completely.
Future requirements were on the agenda right from the start. How can the system be automated and robotized? (The End)
But there was this "little problem". The contest is only open for US residents. :(
It was only a minor setback. This changed nothing. Ok, I can not be a part of the contest, but this is not the end of the world. I'll build my version anyway.
A brief explanation of what I've built:
My low-pressure fogponics system provides lighting, water, nutrient delivery, and air ventilation to 33 small or 11 mid-size plants. They can grow in XYZ direction. The temperature, humidity, and air around the system is used for photosynthesis. It contains grow lights CRI 85 Ra with 260-1300 mol (PPFD) (theoretical) and a 0.7 l reservoir. Any liquid or technical equipment to ensure this is contained in the 500x500x500mm chamber. Only 230V (at the moment) and potable water are required.
Totally in space fever, a cool name should not be missing. :) One night "HOPE" came to mind and I think it fits quite well. Hydroponic Operated Plant Environment
But now enough of the introductory words.
Here we go…
In this Instructable, I want to show you - How to create a 50cm cube with all necessary features and use 3-dimensional space to grow plants.
One last thing. While still in hype mode, I packed this article with everything that was possible.
If you are only interested in the key aspects, you can find them here:
Step 1: What to Do?
What to do?
What are the requirements for this project:
- The officials:
- Adhere to the volumetric constraints (a 50cm cube)
- Contain all necessary features for plant growth (light, water, etc.)
- Use 3-dimensional space in an inventive and effective manner
For comparison, I also took a closer look at Veggie:
Veggie provides lighting, water and nutrient delivery for plant growth. It utilizes the cabin environment for temperature control and a source of carbon dioxide for photosynthesis. Veggie contains a large adjustable light emitting diode (LED) light bank and a reservoir that supplies water via capillary action to root pillows contain substrate, nutrients and seeds. Water is administered on-orbit to initiate seed germination and periodically added throughout the growth cycle until the vegetables are harvested.
- Simple
- easily stowed
- high growth volume
- low mass, power and crew time-requiring
- expandable
- support a variety of experiments (microgravity)
- provide real-time psychological benefits
- Light Commission 100-500 mol (PPFD) with Red (630 nm), Blue (455 nm) and Green (530 nm)
- Cabin Air Fan Settings: Low / High / Off
- Baseplate Footprint: 29.2 cm x 36.8 cm
- Maximum Height: 47.0 cm empty; 41.9 cm with root mat
- The reservoir is designed to hold up to 2 L of water
Step 2: Fundamentals
Fundamentals
Before this project, I had hardly dealt with plants and their growth.
We have a garden including a large vegetable patch, which we use every spring. But we never thought about it in detail or put much effort into it.
In short, the process is:
- Digging a hole
- Putting seeds in the soil
- Cover with earth
- Watering every now and then
- Harvest at some point.
In order to build a system in which plants can grow, this knowledge is of course by no means sufficient. There should be no coincidence, everything should be as planned and controlled as possible.
For this reason, I had to deal with the topic intensively.
Since these points have an impact on the system, I would like to list the most important ones below.
The requirements for healthy plant growth are:
- Light
- Water
- Nutrients
- Carbon dioxide, oxygen, and humidity
- Temperature
It is important that all requirements are in the optimal range and ratio for the respective plant. Too much of one or too little of the other is not optimal or harmful to plant growth.
Light
While plants carry out photosynthesis, they convert sunlight into energy for their cells. Photosynthesis takes place in special organelles known as chloroplasts. Light energy is used to split water (H2O) and fix carbon dioxide (CO2) to produce carbohydrates (CH2O) and oxygen (O2).
https://en.wikipedia.org/wiki/Photosynthesis
Plants primarily use wavelengths of light within the visible light range of the electromagnetic spectrum to drive photosynthesis, which is why light ranging from 400 - 700 nm is called photosynthetically active radiation (PAR).
The amount of PAR landing on a square meter per second is called PPFD with the unit mol-m−2s−1.
https://en.wikipedia.org/wiki/Photosynthetically_a...
Daily light integral (DLI) is the amount of PAR received each day as a function of light intensity (mol-m-2s-1) and duration (day). It is expressed as moles of light (mol) per square meter (m-2) per day (d-1), or: mol m-2 d-1 (moles per day). In growth chambers, values between 10 and 30 mol·m−2·d−1 are most common.
https://en.wikipedia.org/wiki/Daily_light_integral
Water
Water is a solvent and transport medium.
It transports the nutrients absorbed by the roots via the veins mainly to the leaves. The so-called capillary effect is produced by the sun's rays acting on the plant and the resulting evaporation. As a result of this effect, the water rises continuously from the roots upwards into the leaves and thus transports the important nutrients from the soil.
Plants need 13 elements or nutrients to live. These are divided into main nutrients (macronutrients) and micronutrients.
The main nutrients include:
- nitrogen (N)
- phosphorus (P)
- potassium (K)
- magnesium (Mg)
- calcium (Ca)
- sulfur (S)
Key micronutrients include:
- iron (Fe)
- manganese (Mn)
- copper (Cu)
- zinc (Zn)
- boron (B)
- molybdenum (Mo)
- chlorine (Cl)
https://en.wikipedia.org/wiki/Plant_nutrition
Acidity is fundamental for life on earth. It determines the properties, quality, absorption and solubility of many substances. The pH value indicates the acidity or alkalinity of a solution. The pH scale ranges from 0 to 14. A solution with a pH between 0 and 7 is acidic and a solution between 7 and 14 is alkaline.

Optimal pH is usually between low 5's and low 6's
The simplest method of correcting the acidity is to reduce the pH of the nutrient solution with sulfuric acid or to increase it with sodium hydroxide.
https://en.wikipedia.org/wiki/PH
Water is required during the process of photosynthesis.
The carbon dioxide absorbed from the air is converted into sugars for the energy balance and as a starting material for other plant substances using water and the sun radiation.
https://en.wikipedia.org/wiki/Photosynthesis
Water is a scaffold for plants and ensures a balanced internal cell pressure.
The water pressure in the plant ensures that it can be kept upright.
https://en.wikipedia.org/wiki/Turgor_pressure
Plant roots excrete a myriad of substances that are in the plant:
- various types of sugar, amino acids, organic acids, proteins, growth substances, growth inhibitors, and others.
https://en.wikipedia.org/wiki/Plant_root_exudates
If there is an excess of water, the roots suffer from a lack of oxygen and can rot. As a result, the roots can absorb less and less water and nutrients, and the plant dries out and dies.
CO2 and O2
Air contains carbon dioxide, which plants use for photosynthesis. In the process, they convert sunlight into energy for their cells, absorb carbon dioxide from the air and release oxygen.
Plants also need oxygen during cell respiration to produce energy from the stored sugar. To do this, the sugar must be crushed and the plant does this with the help of oxygen. The energy released in this way enables the plant to grow its shoots or sprout its roots.
https://en.wikipedia.org/wiki/Photosynthesis
Plants that grow on land have tiny stomata on the underside of their leaves. Stomata comes from the Greek word "stoma" and that means mouth. With these small mouths, they absorb gases and moisture from outside.
https://en.wikipedia.org/wiki/Stoma
Humidity
Since the air usually contains only small amounts of CO2, the stomata are wide open during photosynthesis. Depending on the humidity of the air, the plant can lose large amounts of water during this time through evaporation (transpiration). If not enough water comes out of the roots, the plant starts to sink and wither very quickly. To prevent plants from losing a lot of water, sufficient humidity should be provided.
Temperature
The right temperature enables processes such as photosynthesis, respiration, and growth. Plants need heat because certain chemical processes require certain temperatures. Enzymes have an optimal temperature range to function.
Step 3: Safety (!)
Safety (!)
Suitable personal protective equipment must always be worn when working e.g. glasses, gloves, eye protection, etc. There are some things in this project that require a certain amount of extra precaution and protection.

Voltage/Current
In the current version of HOPE, I use higher voltages and currents than in my other projects. Incorrect use can result in serious injury to death.
https://en.wikipedia.org/wiki/Electrical_injury


Adhesives/solvents
In some places, it is necessary to glue or fuse components together. I use very good but harmful adhesives/solvents, which damage the respiratory tract, cause acid burns, but can also be carcinogenic. A suitable respiratory and eye protection, as well as gloves and good ventilation, are therefore absolutely necessary.
https://www.acrifix.com/sites/lists/pm/documentsap...
https://en.wikipedia.org/wiki/Dichloromethane
https://www.dosieren.de/media/pdf/da/5f/98/UHU_SOF...

Fertilizer/pH-regulation
Only with water, the plants will not be happy for long. Plants need nutrients (Fundamentals). For this reason, certain additives are necessary. In concentrated form, these substances can lead to acid burns.
https://en.wikipedia.org/wiki/Sodium_hydroxide
https://en.wikipedia.org/wiki/Sulfuric_acid

Hot surfaces
Plants need light (Fundamentals). For this, I use high-power LEDs, which can get very hot very quickly. Touching them can lead to burns.

General
HOPE is a prototype that was developed especially for the GBE Maker Contest. It is about feasibility, implementation of an idea and brainstorming.
Far away from a market-ready system in which edible food can be grown. I cannot estimate what happens when adhesives, fertilizers, alkalis, acids, mist, PLA, Plexiglass, metals and other stuff interact with each other.
Conclusion: Do not eat the plants produced by HOPE at this early stage.
Step 4: Concept
Concept
Regarding:
I started to grow plants in a very conventional way to gain basic experience. I have grown seedlings in a pot of soil. The plants grew magnificently. However I could not get used to it. The entire handling was too dirty. Even with coco and peat it was not much better. Then I changed to rock wool as a growth medium. But it was not much better. Dirt had disappeared, but a new "problem" arose. Rock wool has a high pH-value, where plants cannot develop optimally. Rock wool must first be soaked in a suitable solution with the correct pH-value and left for 24 hours. Only then it is possible to use it.
All variants have worked, plants have grown everywhere, but the handling and preparation did not convince me.
A system that uses the advantages of rock wool and at the same time eliminates its disadvantages are the EazyPlugs.
- organic materials
- predetermined pH and EC value 5,8 / 1
- fixed air-to-water ratio. 20-80
- Weight dried : 3 gr
From my experience, the EazyPlug turned out to be the best. No preparation necessary, no dirt and very easy to handle.
Concept:
- EazyPlug as growth medium
After further research I came across the topic of hydroponics. I had heard about it before, but I did not know more about it. Accordingly, I was surprised about the numerous possibilities to build up a hydroponics system.
https://en.wikipedia.org/wiki/Hydroponics#Passive_...
The version that immediately interested me was what is known as Fogponics. A subspecies of aeroponics. Water and nutrients are atomized and fed to the roots in the form of mist.
The benefits I'm hoping for:
- Targeted and controlled supply of water, nutrients and air.
- More air at the roots
- No interference from pests due to a sterile environment
- Less water is needed
- Less waste after harvesting
- Less weight
Where there are advantages, there are always disadvantages:
- More complex
- More susceptible to technical interference
- Errors in dosage or a failure of the system destroys the plants in a short time
In my case the advantages outweigh the disadvantages, so the method was set.
Concept:
- EazyPlug as growth medium
- Fogponics
But how does such a nebulization work? I found 3 variations:
- Single-fluid nozzle
- Two-fluid nozzles
- Mechanical
https://en.wikipedia.org/wiki/Spray_nozzle
Without having dealt with it, 2 variants have been removed from the shortlist.
- Single-fluid nozzle
Do not transport air, an additional supply is required
Too much water is transported - Mechanical
Droplet size too small
Fog spreads on the ground, must be transported with the help of a fan.
This leaves only the Two-fluid nozzles. There are several ways to build it up:
- Low pressure
- High pressure
- Internal-mix
- External-mix
The high-pressure variant also died quickly. Available nozzles would spray too much water, which would be more like a flood in HOPE. Furthermore, the resulting spray jet would simply disassemble the system. Because with up to 2,6m (!) this is way too much. Due to its size, an HP compressor will not fit into the system.

This leaves only low pressure.
But how to realize and avoid the problems of high pressure?
My youngest son had mild bronchitis at this time and had to inhale a saline solution several times a day.
B I N G O !
Small, quiet, creates fine mist => perfect. I just had to try that.
I bought a new inhaler for my children and took a closer look at the 5-year-old machine.
https://www.medisana.com/en/Therapy/Inhalers/?forc...
How does an inhaler work?
https://en.wikipedia.org/wiki/Nebulizer

Inside runs an AC shaded-pole motor that drives a reciprocating compressor.
https://en.wikipedia.org/wiki/Compressor
https://en.wikipedia.org/wiki/Shaded-pole_motor


The initial joy was quickly gone because this variant also creates a very fine mist that should not work for plants. However, I chose this variant. The size of the fog particles can be changed with different inserts. My hope is that with a modification of the insert you can change the size of the droplets.
Concept:
- EazyPlug as growth medium
- Fogponics
- Inhaler
To get a feeling for it I built my first prototype. A container, rock wool, a plant pot and a 3D printed adapter for the inhaler.

Only with water plants would not survive for long. Nutrients in the right concentration and the right pH value are important. During a subsequent research I found what I was looking for at a company called Plagron. They had everything needed for the hydrosystem in their product range. Hydro A and B for nutrient supply and ph+ and ph- for adjusting the ph value. For this purpose the company also offers a grow schedule, which I will use.

As can be seen in the scheme, one cycle = one week in which the nutrients remain the same. I want to use this in my system.
On all bottles, there was the note "Shake well before use". A settling of solid substances after a certain time could also occur in my system. So I decided that there had to be some mixing from time to time. A simple and effective system is a magnetic stirrer.
https://en.wikipedia.org/wiki/Magnetic_stirrer
Concept:
- EazyPlug as growth medium
- Fogponics
- Inhaler
- one cycle = one week which the same nutrients
- magnetic stirrer
How much liquid do I now need if I want to survive one cycle with one filling?
For this purpose I have read the "nebulizing output" from the datasheet (min 0.2ml/min). In the calculation example I assume 30 seconds of nebulizing and 120 seconds of pause.

With these values I need about 0.7 l per week.
A tank that could hold this volume had the following dimensions:
- 54mm in diameter with 300mm height

This liquid from the tank must be very finely dosed into the nebulizer. Peristaltic pumps are perfectly suited for this.
https://en.wikipedia.org/wiki/Peristaltic_pump
Concept:
- EazyPlug as growth medium
- Fogponics
- Inhaler
- one cycle = one week which the same nutrients
- magnetic stirrer
- 0.7l tank
- Peristaltic pumps
Light was another exciting topic where I learned a lot.
I chose a COB LED module that was specially developed for horticulture. The module also has a very wide range of PAR that can be accessed with the right cooling. In addition, all technically necessary data for this module is available online. Furthermore there is an excellent technical support, which helped me a lot.
I have calculated the whole thing to make sure that there is neither too little nor too much PPFD.


With this information you can calculate the DLI for a 12h ON / OFF time:
DLI at 11W = 259 µmol/sm² * 60 * 60 *12 = 11,19 mol/m²/d
DLI at 76,4W = 1306 µmol/sm² * 60 * 60*12 = 56,42 mol/m²/d (which is not possible in reality)
High performance LEDs require sufficient cooling.
Calculation:




Heat sinks with low thermal resistance are very large and therefore heavy.
But,...
there should also be air circulation in the system.
So why not kill 2 birds with one stone? Cool the LED actively and use the exhaust air for circulation. A possible further advantage is the heat in the exhaust air which could have a positive effect on the plants.
Concept:
- EazyPlug as growth medium
- Fogponics
- Inhaler
- one cycle = one week which the same nutrients
- magnetic stirrer
- 0.7l tank
- Peristaltic pumps
- Horticulture COB LED
- Exhaust air for circulation
I slowly realized that a lot of technology had to be built into the cube. Therefore it is important not to waste space. Every centimeter must be used.
So the most difficult decision - How to arrange all this in a 500x500x500 cube?
In my imagination I never managed to use all 6 sides of the cube productively. There was always at least one "dead" area. Another challenge was taking advantage of 3D space.
After days of reflection and considering my own guidelines, I came up with the following idea:
Plants are placed in the middle and grow outwards. Roots are supplied with water, nutrients and air via a chamber in the middle. The chamber in the middle must be at least cubic to meet the specifications (XYZ). To make better use of the space, I decided to use a dodecahedron. Above each surface of the dodecahedron hangs its own light. Everything is wired on the outside. Electronics are mounted on the base plate. The tanks for the liquids are attached in the corners of the cube.
To get used to it, I built another prototype.

Mini dodecahedron, one plant per area

Enclosure for the shaded-pole motor and the reciprocating compressor.
In another prototype, I experimented with a variable spacer. In this variant, the height of the light module could be adjusted using a DC geared motor, bevel gears and a threaded rod. This would have allowed a variable alignment of the light to the plants. The cables would have to be routed via a drag chain.
I designed, printed and tested everything. It worked quite well.
But because of the additional mechanical and electrical components, I did not pursue this variant any further. Furthermore, in the installation space of 500x500x500 there is not much room for long travel distances.




Step 5: General and Functional Description
General and Functional Description
A few words in advance,
For time and budget reasons, only 3 of the 11 possible plant areas were equipped. 9 plants (3 per module) are used. Up to 33 plants are possible in full extension. The unused areas were covered with placeholders.
I have also reduced the system to a minimum of automation. Again, to save time and money. Many actions are manual but could be automated.
How does the system work?
It is a small and simple process system with the following components:





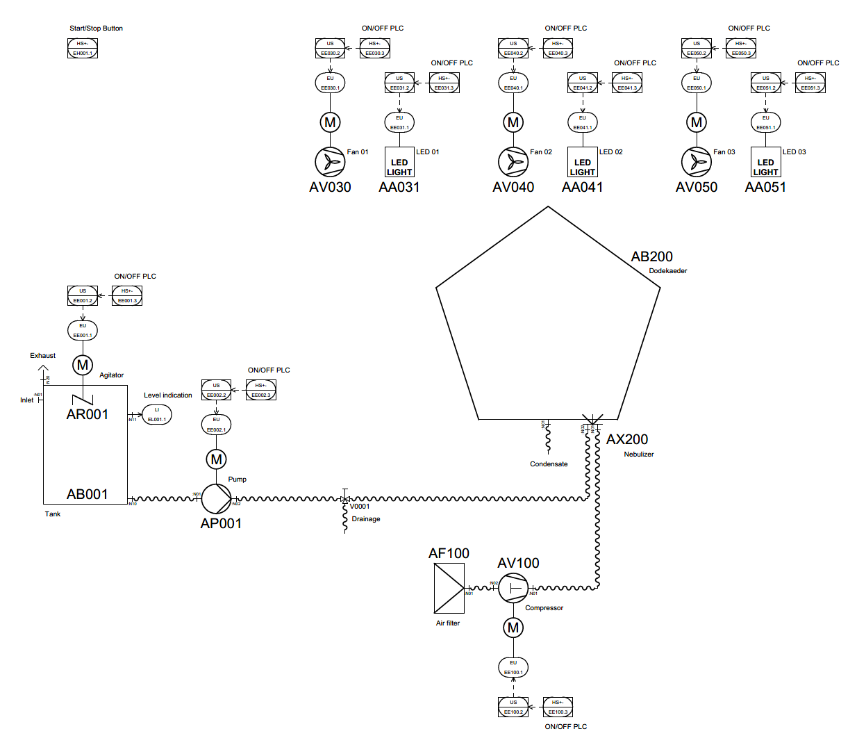
The P&ID diagram looks like this:

Description:
More information can be found in the "Electronics" and "Arduino Sketch" section.
A water-nutrient mixture is filled into Tank AB001 by means of a syringe. This is done via fillport N01. Existing air can escape from the outlet N02. The fill level of the Tank AB001 can be read manually on site (transparent tank).
The system can be started and stopped via a local EH001 Control Unit. The status is indicated via a local indicator light and a local display.
Everything works in Auto mode. No manual operation is possible.
Two step sequences control the entire system.
One sequence is responsible for the Light-cycle, the other one for the Hydro-cycle.
Hydro-cycle:
- The Tank AB001 is equipped with an Agitator AR001 that keeps the water-nutrient mixture in motion for 10 seconds to prevent solid particles from settling.
- The liquid in the Tank AB001 is pumped by an Pump AP001 for 5 seconds towards the Nebulizer AX200. In the event of a fault or special incidents, the 3-way valve V0001 can be operated manually to empty the Tank AB001 via the pump AP001.
- An Filter AF100 is used to suck in ambient air for the compressor AV100. Together with the liquid from AP001, it creates fog in the Nebulizer AX200 for 30 seconds.
The fog flows into the Dodecahedron AB200 and supplies the roots of the plants with water, nutrients and air.
Condensation water in the Dodecahedron can flow through an outlet.
The Hydro-cycle is controlled by timers to create a fog time of 30 seconds and a pause time of 120 seconds.

Light-cycle:
- The 3 Horticulture COB LED AA031, AA041 and AA051 as well as the 3 Fans AV030, AV040 and AV050 are switched on and off for a 12/12 cycle.

Step 6: Tools, Materials, and Software That I Used
Tools, Materials, and Software That I Used
Tools:
- 3D-Printer
- Table saw, Miter saw
- Sander, sandpaper, and files
- Drill and Drill press
- Wood drill bits and countersink bit
- Center punch
- Pencil, marker, ruler, caliper
- Cutting mat
- Cutter
- Try square, Set square
- Screwdrivers
- Wire stripper, Wire cutter, Crimping tool
- Paper drill
- Clamps
- Soldering iron, Lighter, Hot air gun
- Personal Protective Equipment (PPE)
Materials:
- Fillamentum Traffic Yellow PLA @210/50
- 3DJake ecoPLA Matt White @225/50
- 3DJake ecoPLA Glitter Grey @225/50
- M3 and M4 screws, hex nuts
- M4 Ruthex threaded inserts
- Ball bearing 12x21x5mm and 3x9x4mm
- Magnetic Stir Bar
- 0,25mm², 0,5mm² and 2,5mm² wires
- Electric wire ferrules and Dubont male/female
- Cable sleeves and Heat shrinks
- Luer Lock male/female
- Latex tube natural rubber (NR), 2/4 mm, 40 Shore A
- Latex tube natural rubber (NR), 5/8 mm, 40 Shore A
- Arduino UNO
- Adafruit Motorshield V2
- Power supply 230V / 12V
- Power supply 230V / 35V
- Horticulture COB LED
- 12V Heatsink/Fan + Fan
- SSR
- Relay
- 230V AC Shaded-pole motor + Compressor
- 10K and 220 Resistor
- Adafruit Button und LED
- DC Motor
- Adafruit Stepper Motor
- Adafruit 16x2 Display + Dimmer
- C14 Inlet, Fused with Switch
- Breadboard
- Terminals
- Hydro A, B
- pH+ and pH-
- EazyPlug
- Acrifix, Dichloromethane, Ethanol, UHU 2K-epoxy, Titebond, and Thermal glue
- Baltic Birch Plywood
- Cork
- Foam rubber
- Cardboard tubes
- Polystyrene white and blue
- Plexiglass plates und tubes
- Carbon foil
Software:
- Autodesk Fusion360
- Simplify 3D
- Arduino IDE
I subjected PLA filament to a material test over a period of 6 months. During this time the material was exposed to concentrated Hydro A, B, pH + and pH-.
Optical result:
Hydro A => Nothing has changed
Hydro B =>Nothing has changed
pH+ => Total destruction
Ph- => Nothing has changed


Step 7: 3D Printing
3D printing
3D printing was used very excessively in this project. Almost all parts are 3D printed.
The basic idea:
Print as many parts as possible directly on the space station. Not all parts need to be transported from the ground station. Spare parts are therefore no problem either. Currently, there is already a 3D printer on the ISS. Maybe a larger one in the future.
I created all the parts in this project with the following settings:
In Fusion360 I converted all bodies in an STL-file using the following settings:
- Binary
- One file per body
- Refinement (custom)
- 0.01mm Surface Deviation
After that I imported it in Simplify3D and used:
- Layer 0,2mm
- Infill 20%
- Top, Bottom, Outline 3
- Skirt
- Internal Thin Wall Type - Allow single extrusion fill
Step 8: The Modules
The Modules
Here you see an overview of the modules with all parts

Step 9: 01 Module - CPU
01 Module - CPU
The "01 Module - CPU" contains the central control unit and most of the I/O devices. In this area, the components are mounted and wired together. In addition, the module is the central base plate and the stabilization element of further construction. The electronic components are protected by covers. The central UI for the system is also mounted there.
It contains the following components:
- Base plate
- Baltic Birch Plywood
- Cork pads
- Foam rubber
- Mounting block
- Drainage valve block
- Side cover
- Top cover
- UI unit
- Adafruit 16x2 Display
- Adafruit LED
- Adafruit Button
- Adafruit Dimmer
- Additional
- C14 Inlet, Fused with Switch
- Arduino UNO
- Adafruit Motorshield V2
- Power supply 230V / 12V
- Power supply 230V / 35V
- Ssr
- Relay
- Resistors
- Breadboard
- Terminals
Step 10: 01 - Base Plate
Base plate
What is the component required for?
The first component of the CPU module is the base plate. It is the central mounting and stability element. The base plate consists of:
- 1x Baltic Birch Plywood
The wooden plate has numerous holes. These are used to attach other components, such as the Mounting blocks, Main tank unit or Nebulizer. - 14x Cork pads
The cork pads serve as dampers for the mechanical vibration of the compressor and are the feet of the entire construction. They also prevent slipping on smooth surfaces. - 1x Foam rubber
Like the cork pads, the foam rubber inlay serves as a damper for the mechanical vibrations caused by the compressor.
Where is the component located and how is it mounted?
- 1x Baltic Birch Plywood
Bottom of HOPE. - 14x Cork pads
The cork pads were glued to the underside of the wooden plate with wood glue. 8 in the outer area and 6 inside. - 1x Foam rubber
The rubber is placed in the middle of the Plywood plate.
How and from which material is the component made?
- 1x Baltic Birch Plywood
The Baltic Birch Plywood plate was cut on the table saw. Using a ruler and pencil, numerous markings from Fusion360 or directly with the help of the 3D printing part were transferred to the wooden plate. The holes were created with the hand drill, various drill bits, and a countersink bit. Finally, the surfaces and edges were sanded.


- 14x Cork pads
The circles for the feet were cut out of a cork plate with a paper circle cutter.

- 1x Foam rubber
The shape of the Nebulizer bottom + a 10mm edge was transferred to a piece of foam rubber and cut out with ruler and cutter.
Step 11: 01 - Mounting Block
Mounting block
What is the component required for?
The Mounting block is the connecting element between the wooden panel and the Side and Top covers. It has 16 holes, so there are mounting options on all sides.
Where is the component located and how is it mounted?
The Mounting blocks are screwed to the wooden plate. 8 pieces near the corners, 4 pieces at the edges of the plate and 5 near the Nebulizer.
How and from which material is the component made?
Created in Autodesk Fusion360, sliced with Simplify3D and printed from Fillamentum TrafficYellow PLA. Ruthex M4 threaded inserts are pressed into the holes of the block. This is done with a soldering iron at 210°C. After a cooling phase, parts can now be attached to the block with M4 screws.


Step 12: 01 - Drainage Valve Block
Drainage Valve block
What is the component required for?
The Drainage Valve block is a bracket for a 3-way Luer Lock valve. In case of an error, the fluid inside the tank can be drained without any problems. For this purpose, the 3-way valve has to be operated manually.
Where is the component located and how is it mounted?
The bracket is screwed to the base plate near the tank. One "way" of the valve points towards the Side cover that can be unscrewed quickly. Draining is therefore not a problem.
How and from which material is the component made?
The caliper was used to transfer the dimensions of the 3-way valve to Fusion 360. There I created the valve block, sliced it with Simplify3D and printed from 3DJake ecoPLA Matt White.
Step 13: 01 - Side Cover
Side cover
What is the component required for?
The Side cover have no real function. They serve to cover and protect the electronic components installed on the base plate.
Where is the component located and how is it mounted?
The side cover are screwed to the side of the Mounting blocks. They are flush with the base plate and with the top cover.
How and from which material is the component made?
On the table saw I cut the 4 side cover. Afterward, I clamped them to the mounting blocks which were already mounted on the base plate. So I could mark the holes very easy and exact. They were drilled with the hand drill.


Step 14: 01 - Top Cover
Top cover
What is the component required for?
Similar to the Side cover, the main function of the Top cover is to cover and protect the electronic components installed underneath. Two of the covers have recesses for the UI elements. In the middle, there is a pentagon recess for the Nebulizer.
Where is the component located and how is it mounted?
The top covers are screwed to the top of the Mounting blocks.
How and from which material is the component made?
The plates are available for purchase in the dimensions 500x500mm. A cut was therefore not necessary. I clamped the polystyrene plate to the base plate and transferred all holes and the recess to it. All holes were made with the hand drill and drill press. Then I marked angle bisectors with 126 ° around the center. With a cutter and ruler, I cut the plate into 5 parts and also the recesses for the tanks, UI and C14 Inlet.





Step 15: 01 - UI Unit
UI unit
What is the component required for?
The UI unit contains various elements for operating and monitoring the system. This is the only UI of the system. More information can be found in the "General and Functional Description", "Electronics" and "Arduino Sketch" section.
Parts:
- Adafruit 16x2 Display
The LCD displays the cycle counters and the last action performed. - Adafruit LED
The LED indicates the status of the system. Off = System Off, Green = System Running - Adafruit Button
The Light and Hydro-cycle can be started with the button. When pressed again, the current cycle is ended and then everything is stopped. - Adafruit Dimmer
The brightness of the LCD display can be adjusted via dimmer
Where is the component located and how is it mounted?
The UI unit is screwed to the top cover. The LCD panel is plugged and fixed on 4 pins. Dimmer, button and LED are glued to the UI unit with 2K epoxy. The connections of the components are led to the CPU via 5 cut-outs.
How and from which material is the component made?
The unit was created in Autodesk Fusion360, sliced with Simplify3D and printed from 3DJake ecoPLA Glitter Grey. The position of the UI unit was transferred to a top cover and cut out /drilled.

Step 16: 01 - Additional
Additional
Basic electronic components are needed to create simple automation. Some of these components are screwed directly onto the base plate. For more information, see the sections "General description and functional description", "Electronics" and "Arduino Sketch".
It contains:
- 1x C14 Inlet, Fused with Switch
230V Feed, which supplies the whole system. Built into a top cover. - 1x Arduino UNO
The central brain of HOPE - 1x Adafruit Motorshield V2
It is connected via I2C and controls the DC motor (agitator) and the pump (stepper) - 1x Power supply 230V / 12V
Power supply for Arduino, Motorshield, fan and other components - 1x Power supply 230V / 35V
It provides the voltage and current for the Horticulture COB LED - 2x SSR
The solid state relays are connected to the Arduino. They switch the 230 V for the shaded pole motor (Nebulizer) and the power supply 230/35 V on and off - 1x Relay
The relay is controlled by Arduino and switches the 12V for the fans on and off - 2x 10K & 1x 220 Resistors
Series resistors - Breadboards & Terminals
Step 17: 02 Module - Fluid Storage & Preparation
02 Module - Fluid Storage & Preparation
The "02 Module - Fluid Storage & Preparation" is about storing and preparing fluids before they are fed to the plants. Here the liquids are filled into the system, mixed and pumped into the next module "Nebulizer". In phase 1 only one main tank is needed. The other areas are equipped with placeholders.
It contains the following components:
- Main tank unit
- Agitator
- Bottom
- Motor block
- DC motor
- Spacer
- Rotor block
- Ball bearing 12x21x5mm
- Rotor
- Magnetic Stir Bar
- Spacer
- Tank
- Bottom
- Tank
- Top
- Clamps
- Pump
- Bottom
- Rotor block
- Ball bearing 12x21x5mm
- Ball bearing 3x9x4mm
- Rotor
- Rotor top
- Latex hose 2/4mm
- Luer-Lock
- Luer-Lock
- Motor block
- Stepper Motor
- Agitator
- Placeholder tanks
- Mounting block
- Tube
Step 18: 02 - Main Tank Unit
Main Tank unit
Step 19: 02 - Agitator
Agitator
What is the component required for?
Solid components may settle to the bottom of the vessel over time. To prevent this, the agitator stirs the fluid before pumping. It is a magnetic stirrer that generates a rotary motion in the liquid via 2 magnetic pills. The rotor is driven by a DC motor.
Parts:
- 1x Bottom
- 1x Motor block
- 1x DC motor
- 1x Spacer
- 1x Rotor block
- 1x Ball bearing 12x21x5mm
- 1x Rotor
- 1x Magnetic Stir Bar
- 1x Spacer

Where is the component located and how is it mounted?
The individual parts of the agitator are placed on top of each other and held in position by screws. The agitator itself is screwed into one of the corners of the base plate and below the tank.
How and from which material is the component made?
The various items were created in Autodesk Fusion360, sliced with Simplify3D and printed from 3DJake ecoPLA Matt White. The ball bearing was pressed into the rotor block. The rotor was fixed in the ball bearing and the magnetic pill in the rotor with 2K epoxy.
Step 20: 02 - Tank
Tank
What is the component required for?
The tank contains the fluid required for the Nebulizer. 3 clamps on the Tank serve as hose and cable guides to the base plate. The upper bracket also contains the fillport with Luer-Lock connection and the vent.
The tank consists of several parts:
- 1x Bottom
- 1x Tank
- 1x Top
- 3x Clamps

Where is the component located and how is it fixed?
The clamps are clamped to the tank with screws at regular intervals. The tank is screwed onto the Agitator, which is located in one of the corners of the base plate.
How and from which material is the component made?
The clamps were created in Autodesk Fusion360, sliced with Simplify3D and printed from 3DJake ecoPLA Matt White. Two Ruthex threaded inserts were melted into the clamps using a soldering iron. With fine sandpaper the edges of the plexiglass tube were sanded flat, cleaned with ethanol and glued to the bottom and top with dichloromethane. The bottom and the top have 4 holes into which the agitator and the pump can be screwed.


Step 21: 02 - Pump
Pump
What is the component required for?
The pump transports the liquid from the tank into the nebulizer. The peristaltic pump is powered by a stepper motor. A rotor squeezes a latex hose in a rotational motion, which leads to the conveying of the liquid.
Components:
- 1x Bottom
- 1x Rotor block
- 1x Ball bearing 12x21x5mm
- 3x Ball bearing 3x9x4mm
- 1x Rotor
- 1x Rotor top
- 1x Latex hose 2/4mm
- 2x Luer-Lock
- 1x Motor block
- 1x Stepper Motor

Where is the component located and how is it mounted?
The individual parts of the pump are placed on top of each other and held in position by screws. The pump sits above the tank and is screwed to it.
How and from which material is the component made?
Very similar to the agitator, the pump was created in Autodesk Fusion360, sliced with Simplify3D and printed from 3DJake ecoPLA Matt White. Three ball bearings are placed on the pins of the rotor and then screwed with the Rotor top. The rotor is glued into the ball bearing with 2k-epoxy. The ball bearing itself was pressed into the rotor block.

Step 22: 02 - Placeholder Tanks
Placeholder tanks
What is the component required for?
I only installed one tank in the system. Since I did not want to leave the other areas open, I created placeholder tanks.
Parts:
- 6x Mounting Block
- 3x Tubes
Where is the component located and how is it mounted?
The placeholder tanks are located in the corners and are screwed directly onto the base plate. The exception is the small placeholder tank, which is located above the main tank.
How and from which material is the component made?
The Mounting blocks were built in Autodesk Fusion360, sliced with Simplify3D and printed from 3DJake ecoPLA Matt White. The tubes are cardboard tubes that I cut on the Miter saw. I covered them with a white carbon foil. The tubes are pushed into the Mounting blocks.

Step 23: 03 Module - Nebulizer
03 Module - Nebulizer
The "03 Module - Nebulizer" is responsible for the atomization. With liquids, from the module Fluid Storage & Preparation, and compressed air a mist is generated, which flows into the next module.
Components:
- Bottom
- Motor bracket
- Absorber rubber
- Shaded-pole motor + Compressor
- Frame
- Top
- Bottom
- Top
- Top
- Motor bracket
- Absorber rubber
- PLA washers
- Star knobs
- Latex hose 2/4mm
- Luer-Lock
- Walls
- Air inlet
- Filter bracket
- Filter
- Latex hose 5/8mm
- Nozzle area
- Atomizer bracket
- Atomizer
- Distribution ring
- Luer-Lock
- Hose brackets
- Latex hose 5/8mm
- Latex hose 2/4mm
Step 24: 03 - Bottom
Bottom
What is the component required for?
The Bottom serves as a stabilisation. It has two recesses for the Motor bracket. Shaded-pole motor + Compressor are clamped between these brackets and thus fixed in this housing. Additional Absorber rubber prevent vibrations and reduce noise.
Components:
- Motor bracket
- Absorber rubber
- Shaded-pole motor + Compressor

Where is the component located and how is it mounted?
The Nebulizer Bottom is screwed in the middle of the base plate.
How and from which material is the component made?
Bottom and Motor brackets were built in Autodesk Fusion360, sliced with Simplify3D and printed from Fillamentum TrafficYellow PLA and 3DJake ecoPLA Glitter Grey. The Absorber rubbers are from the original case.
Step 25: 03 - Frame
Frame
What is the component required for?
The Frame is the mounting element of the Nebulizer. It connects the Bottom, Top and Walls.
It consists of:
- Top
- Bottom
Where is the component located and how is it mounted?
The Frame is mounted to the Nebulizer Bottom.
How and from which material is the component made?
The frame was created in Autodesk Fusion360, sliced with Simplify3D and printed from Fillamentum TrafficYellow PLA. To simplify the 3D printing, but also the assembly, I divided the frame in the middle and printed it in two parts. The frame can easily be put together. Hex nuts were melted into the prepared recesses with a hot air gun at 210 ° C.

Step 26: 03 - Top
Top
What is the component required for?
The Top represents the upper end of the nebulizer. It is also the base for the dodecahedron.
Components:
- 1x Top
It has a large opening from which the mist can flow into the dodecahedron. The Top has a concave shape. The condensate then flows through this shape towards the center. There is another opening so that the liquid can drain off.
2x Motor brackets and 2x Absorber rubber
Similar to the Bottom, the Top has two brackets that clamp and fix the motor and the compressor in this housing. Additional Absorber rubbers prevent vibrations and reduce noise.5x PLA washers and 5x Star knobs
The dodecahedron is attached to the nebulizer via the Star knobs thus it can be easily disassembled.1x Latex hose 2/4mm with Luer-Lock
Condensate drain
Where is the component located and how is it mounted?
The Top is screwed onto the top of the Nebulizer Frame. The PLA washers and the Motor brackets were glued to it with Acrifix. The Absorber rubbers were mounted on the brackets.
How and from which material is the component made?
The Top, PLA washers and Motor brackets were created in Autodesk Fusion360, sliced with Simplify3D and printed from Fillamentum TrafficYellow PLA and 3DJake ecoPLA Glitter Grey. Screws were pressed into the Star knobs.


Step 27: 03 - Walls
Walls
What is the component required for?
The walls serve as a cover for the shaded-pole motor + compressor. They are also for stability and connect the lower frame with the upper one. On the outside, they have guides to bring the cables to the dodecahedron.
Where is the component located and how is it mounted?
The 5 walls are screwed onto the side of the Nebulizer.
How and from which material is the component made?
The walls were created in Autodesk Fusion360, sliced with Simplify3D and printed from 3DJake ecoPLA Matt White.
Two out of the five walls have additional functions.
- Air inlet
- Nozzle area
Step 28: 03 - Air Inlet
Air inlet
What is the component required for?
The compressor requires ambient air to produce the compressed air. To prevent particles from entering the compressor, the air is sucked in through a filter unit.
Components:
- Filter bracket
- Filter
- Latex 5/8mm
Where is the component located and how is it mounted?
The Filter bracket is screwed to a Wall. This bracket has a connetion for a 5/8mm latex hose on one side. On the other side a filter can be inserted.
How and from which material is the component made?
The bracket was created Autodesk Fusion360, sliced with Simplify3D and printed from 3DJake ecoPLA Glitter Grey. The Filter is from the original case.
Step 29: 03 - Nozzle Area
Nozzle area
What is the component required for?
This is where one of the important actions takes place. Liquid and air become mist. Liquid enters the Nebulizer from above via a pump. Compressed air from the compressor flows from below into the Nebulizer. The hoses are guided safely via brackets.
Components:
- Atomizer bracket
- Atomizer
- Distribution ring
- Luer-Lock
- Hose bracket
- Latex hose 5/8mm
- Latex hose 2/4mm
Where is the component located and how is it mounted?
- Atomizer bracket
The bracket is screwed to the inside of the wall - Atomizer
The atomizer is inserted into the bracket from above - Distribution ring
It is placed on the Atomizer. - Hose mount
Glued to the wall with Acrifix. - Latex 5/8mm
Air hose is connected to the atomizer at the bottom - Latex 2/4mm
Liquid hose is connected to the distribution ring
How and from which material is the component made?
Bracket, distribution ring and hose mount were created Autodesk Fusion360, sliced with Simplify3D and printed from 3DJake ecoPLA Matt Grey and Matt White.
Step 30: 04 Module - Growth Area
04 Module - Growth area
In the "04 Module - Growth area" the real magic happens. This is where the plants grow. The main feature is the dodecahedron. With its 11 sections, up to 33 plants can grow. The roots extend inwards into the dodecahedron, where they are supplied with water, nutrients, and air in the form of mist. The light area is attached via a fixed spacer, which provides light and air circulation for the plants.
The module consists of
- Dodecahedron
- Plant area
- Plant pentagon
- Plant pot
- Placeholder pentagon
- Spacer
- Light area
- Light pentagon
- Horticulture COB LED
- Heatsink
- Fan
- Fan cover
- Airflow control unit
Step 31: 04 - Dodecahedron
Dodecahedron
What is the component required for?
The dodecahedron is the central element of the growth area. Different modules can be attached to 11 places. In the interior, there is space for the roots of the plants.
Where is the component located and how is it mounted?
The dodecahedron is located directly above the Nebulizer module and is attached to it by Star knobs.
How and from which material is the component made?
Due to the size, I had to split the dodecahedron to fit on the print area of my printer. Afterward, the parts were glued together again with Acrifix. I spent a lot of time adding hex nuts to the construction. In retrospect, this was a very good idea and saved me a lot of time and trouble. They were melted into the prepared recesses with a hot air gun at 210 ° C.



Step 32: 04 - Plant Area
Plant area
What is the component required for?
In the plant area, the seedlings are screwed in with their pot and remain here until harvest.
The plant area consists of:
- 1x Plant pentagon
The plant pentagon serves as a mounting possibility for 3 Plant pots. Cables and hoses can be routed along the edges. The Spacer is mounted in a recess. - 3x Plant pot
The EazyPlugs contains seedlings.
Where is the component located and how is it mounted?
- 1x Plant pentagon
The plant pentagon is screwed onto the dodecahedron at the 11 places. - 3x Plant pot
The plant pots are screwed into the plant pentagon. After insertion, the EazyPlug is secured against slipping by barbs in the pots.
How and from which material is the component made?
Plant pentagon and plant pot were created in Autodesk Fusion360, sliced with Simplify3D and printed from 3DJake ecoPLA Matt White and Glitter Grey. Hex nuts were melted into the prepared recesses with a hot air gun at 210 ° C.
Step 33: 04 - Placeholder Pentagon
Placeholder pentagon
What is the component required for?
Since not all 11 places in the dodecahedron are needed, pentagon placeholders are used for closing.
Where is the component located and how is it mounted?
The placeholder is placed on the dodecahedron and screwed down.
How and from which material is the component made?
The shape of a plant holder was transferred to a piece of polystyrene. The shape was cut out with a ruler and cutter. The mounting holes were drilled with a hand drill.
Step 34: 04 - Spacer
Spacer
What is the component required for?
The spacer creates a distance between the plant area and the light area. It also serves as a cable guide.
Where is the component located and how is it mounted?
The spacer is screwed between the plant and the light area.
How and from which material is the component made?
The spacer was created in Autodesk Fusion360, sliced with Simplify3D and printed from 3DJake ecoPLA Glitter Grey. At both ends, M4 hex nuts were melted in with a hot air gun
Step 35: 04 - Light Area
Light area
What is the component required for?
In the light area is the lighting of the plants. The exhaust air from the active cooling of the LEDs is reused for the air circulation of the plants below. This can be controlled via sliders.
The light area consists of:
- 1x Light pentagon
There are recesses for LED, heat sink, exhaust air, and the spacer. - 1x Horticulture COB LED
Creates the necessary lighting for the plants - 1x Heatsink
As this is a high-power LED, cooling is absolutely necessary. The exhaust air is released into the environment via the heat sink - 1x Fan
Improves the thermal resistance of the heat sink by supplying additional air - 1x Fan cover
The fan cover is the housing for the heatsink and fan. It is also the first part of the Airflow control unit. The exhaust air can be controlled in certain directions via built-in slots. - 1x Airflow control unit
The exhaust air can be controlled via 3 sliders. When all are closed, no air reaches the plants. The exhaust air is then released into the environment.
Where is the component located and how is it mounted?
- 1x Light pentagon
It is screwed to the spacer. - 1x Horticulture COB LED
The LED is located in the middle of the light pentagon. It is attached to the heat sink with a heat-resistant and heat-conductive adhesive. - 1x Heatsink
The heat sink has 2 tabs with holes. These are inserted via 2 pins in the middle of the light module and thus fixed. - 1x Fan
The fan is screwed into the heat sink with 4 screws. - 1x Fan cover
It is plugged into the combination LED, heat sink and fan and screwed directly to the light pentagon. - 1x Airflow control unit
The Airflow control unit is screwed to the pentagon from below. The sliders are inserted into the brackets from the front.


How and from which material is the component made?
Light pentagon, Fan cover, and Airflow control unit were created in Autodesk Fusion360, sliced with Simplify3D and printed from 3DJake ecoPLA Matt White and Glitter Grey. M4 hex nuts were melted in with a hot air dryer.
Step 36: Video - How to Assemble HOPE?
Video - How to assemble HOPE?
I've created a short video in which I show you How to assemble HOPE.
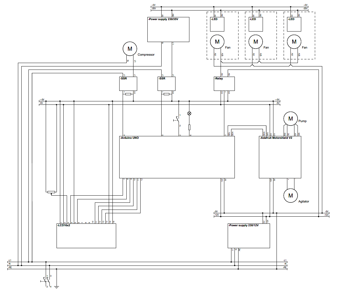
Step 37: Electronics
Electronics
More information can be found in the "General and Functional Description", "Module 01-04" and "Arduino Sketch" section.
Currently, with a few exceptions, everything is mounted on the base plate. If not all tanks are needed, components could be installed there.
To minimize the chaos, I made many cables and equipped them with wire ferrules or DuPont plugs and sockets. As far as possible I packed the wires into a flexible sleeve.
The cables for light and fan lead through the cable ducts via the Nebulizer into the Growth area. The cable for the Stepper Motor (Pump) is led along the tank to the base plate.
I use the following components:
- 1x Arduino UNO
- 1x Adafruit Motorshield V2
- 1x Power supply 230V / 12V
- 1x Power supply 230V / 35V
- 3x Horticulture COB LED
- 3x 12V Fan
- 2x SSR
- 1x Relay
- 1x 230V AC Shaded-pole motor + Compressor
- 2x 10K Resistor
- 1x Adafruit Button
- 1x Adafruit LED
- 1x 220 Resistor
- 1x DC Motor
- 1x Adafruit Stepper Motor
- 1x Adafruit 16x2 Display + Dimmer
- 1x C14 Inlet, Fused with Switch
- 2x Breadboard
- 2x Terminals
They are wired according to the following diagram:

Step 38: Arduino Sketch
Arduino sketch
In this project, there was a particular challenge that I had to implement in the code.
The Light-cycle switches every 12h, at the same time the Hydro-cycle (mixing, pumping and misting) should run continuously and in a certain order. In addition, the program should react to inputs of the button at all times to start/pause processes.
Normal code …
setup();
while(1)
{
loop()
{
Do thing A
Delay
Do thing B
…
}
}
…would not work here. A kind of multithreading is required which can work on things "simultaneously".
One approach to solving this is to remember states. Also called Finite-state machine.
With this idea and the interrupt routine of the Arduino UNO, I have built up the program.
More information can be found in the "General and Functional Description" and "Electronics" section.
Pressing the button (PIN 2) is monitored in the interrupt routine and converted into a switching state. This state is indicated by an LED (PIN 6). The number of Light and Hydro-cycles as well as the last executed action is transferred to an LCD display (PIN rs = 7, en = 8, d4 = 9, d5 = 10, d6 = 11, d7 = 12 ).
Status ON:
The Light-cycle starts and turns on the Horticulture LED's and the fans for 12h. These are switched via an SSR (PIN 5) and a relay (PIN 3). When time expired, turn off the LED's and fan for 12h. The Light-cycle counter is increased by 1. Afterward, the process starts again.
At the same time, the Hydro-cycle switches on the DC motor (Agitator Adafruit Motorshield via I2C) for 10 seconds. Then the stepper motor starts for 5 seconds (pump Adafruit Motorshield via I2C). Finally, the compressor is started by an SSR (PIN 4) for 30 seconds. The counter for the Hydro-cycle is incremented by 1. After that, the process starts from the beginning.
Status OFF:
There is no interruption. The current cycle (light and hydro) is processed until the end. Only then the program stops.
Attachments
Step 39: Video - How to Use HOPE?
Video - How to use HOPE?
Coming soon...
Update: 2020.04.01
I will not continue to work on this task. Maybe in a few weeks/month
Step 40: The End
The End
HydroponicOperatedPlantEnvironment (HOPE) => Finished!
I am very satisfied with the result. It started as a spontaneous idea over 8 months ago. It was a hard, sometimes very hard time, but I do not regret a single second that I worked for this project. Now I can look at this machine that really works. That is so cool. I learned a lot that will boost future projects.
I have noticed some things that still need to be resolved, could have been done better or which are still completely unclear.
The most important question of all is still unanswered.
Will HOPE work?
This includes many other sub-questions:
- More/Less light, larger/smaller distance?
- Droplet size ok/too small, 30/120S fogging time ok/not ok?
- Enough space for plants/roots?
- If it works, how does harvesting work, how easy can new plants be used afterward
- etc.
Improvements Phase 1
- Separate cable ducts for the different voltages
- Sufficiently dimensioned cables and clamping connections
- Shielded signal cables
- Emergency-Off
- Seals on all modules that come into contact with mist or water
- Sealing the wood panel or using non-absorbent material, e.g. plexiglass
- Sealing Top and Side cover
- Clean up voltage levels. Maybe everything is possible with 12V?
- Space optimization
- Improve airflow and automate them with the help of motors.
- Plant and light areas are rigidly connected. Change?
When I created HOPE, I was already thinking about future requirements and how to implement them:
Growing Beyond Earth 2020 Maker Contest
Maintaining plants without human intervention.
Design, build, and test an autonomous system that can support plant growth without human intervention. Develop a smart system that might include sensors, cameras, and automated controllers for lighting, watering, and air circulation within a habitat that fits inside a 50 cm cube. Plant seeds of one or more of the predetermined plant and grow them without any further human interaction over a 30 day period.
The existing placeholder tanks are no longer needed. They are replaced by several small agitators, tanks and pump combinations. These tanks contain nutrients, boosters, and regulators. A separate water tank is also required. The weekly fluid solutions are prepared in an additional tank. Industrial pH, EC and other sensors ensure the right mix. The liquid is pumped into the feeder tank and from there in cycles into the Dodecahedron. Shortly before the current cycle is over, the mixture for the next cycle is mixed in the preparation tank, so that no idle time occurs. The process can be tracked via standard and IR cameras. Everything is controlled via a GUI....
Growing Beyond Earth 2021 Maker Contest
Robotic planting and harvesting of vegetables.
Design, build, and test a robotic system that can plant seeds and harvest vegetables within a 50 cm cubic growing environment. The system must be able to plant seeds and harvest one or more of the predetermined plants varieties.
The cabling on the nebulizer and dodecahedron as well as the light areas must be offset. The dodecahedron is stored rotatably so that all sides are accessible to the robot. The screwing of the element is replaced by a click or magnetic system. Harvesting the plants ....
A lot to do. :) But this is another task.
I would appreciate any criticism, comments or improvements. Whether in relation to the project, photos, skills, writing or language.
If you don't want to wait until the next update, you can see some news on Instagram.
Thank you for taking the time to read about my project!
Have a great time.
Servus and cu next time!
Step 41: Change Log
Change Log
- V0.0 2020-02-03
- Project published
Step 42: 28 Days Later
28 Days Later
"28 Days Later" depicts the breakdown of society following the accidental release of a highly contagious virus.
NO! This should not happen here. :)
I want to show you an update on how 9 plants will grow (or not grow) in HOPE.
For my experiment, I'll use Mizuna
Update:
I want to close the HOPE project for now. During the test phases, a problem has appeared that cannot be solved easily. It is about condensation water and the sealing of the dodecahedron. There is leakage after 3 days. Condensation water escapes uncontrolled. With this problem, it is unfortunately not possible to complete a 28-day cycle. As already written, the dodecahedron and the plant areas would have to contain seals to be able to drain the condensation water in a controlled way. But I did not implement this. A redesign and a lot of 3Dprinting would be necessary.
All in all, it was and is a very exciting project, where I could learn a lot of new things. I can well imagine that I will unpack it again in the near future and develop it further.
But in the meantime, it is time for a new project.
Thanks for reading about my project, your support, sharing, and liking.
Have a great time.
Servus and cu next time!






